JC-FMF11 调频雷达液位计「防腐型」电力行业
测量介质:液体
测量范围: 0.05m~30m
过程连接:G1½A / 1½NPT螺纹/ 法兰≥DN50
过程温度: -40~80℃
过程压力: -0.1~0.3 MPa
发 射 角: 7°
天线尺寸: 32mm透镜天线
天线材质:PTFE
精 度: ±2mm
防护等级: IP67
中心频率: 123GHz
电 源:二线制/DC24V四线制/DC12~24V四线制/AC220V
外 壳:铝/塑料/不锈钢
信号输出:二线制/4...20mA/HART协议四线制4...20mA/ RS485 Modbus
产品概述
JC-FMF 系列传感器是120G调频雷达式物位测量仪表,测量距离可达30米。天线被进一步优化处理,新型快速的微处理器可以进行更高速率的信号分析处理,使得仪表可以用于高温高压等环境液体的测量。
产品原理
调频连续波雷达物位计的通用原理为雷达在罐顶发射电磁波,电磁波碰到介质反射后被雷达接收,接收信号与发射信号之间的频率差δ f与介质表面的距离R成一定比例关系:R=C (速度)*δ f(频率差)/2/ K(调频斜率)。因为光速C和调频斜率 K已知,因此估算出频率差δ f,便可得到雷达安装位置料面的距离R,再通过已知的罐体总高,减去雷达到料面的空间距离(简称空高),得出料位的高度。

防护等级

本仪表完全满足防护等级IP66/67的要求,请确保电缆密封头的防水性。如图
如何确保安装满足IP67的要求:
请确保密封头未受损。
请确保电缆未受损。
请确保所使用的电缆符合电气连接规范的要求。
在进入电气接口前,将电缆向下弯曲,以确保水不会流入壳体,见①
请拧紧电缆密封头,见②
请将未使用的电气接口用盲堵堵紧,见③
产品规格
测量介质:液体
测量范围:0.05m~30m
过程连接:G1½ A/1½NPT螺纹/法兰≥DN50
过程温度:-40~80℃
过程压力:-0.1~0.3MPa
精度:±2mm
防护等级:IP67
频率范围:123GHz
电源:两线制(DC24V)/四线制(DC12V~24V)/四线制(AC220V)
防爆等级:Exia ⅡC T6 Ga / Exd IIC T6 Gb
外壳:铝/塑料/不锈钢
信号输出:二线制4...20mA/HART协议/四线制4...20mA /RS485 Modbus
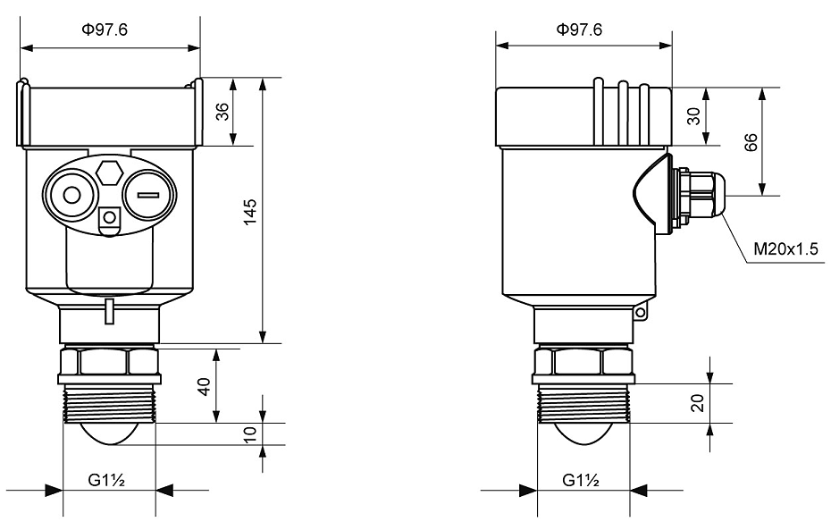
外观尺寸

技术参数
| 过程链接 | 法兰 | |||
| 材质 | 304不锈钢、PP | |||
| 外壳 | 外壳和外壳之间的密封 | 硅橡胶 | ||
| 外壳视窗 | 聚碳酸酯 | |||
| 接地端子 | 不锈钢 | |||
| 供电电压 | 四线制 | 标准型 | (12~24)V DC | |
| 功耗 | max80mA DC24V/2W | |||
| 允许波纹 | <100Hz | Uss<1V | ||
| (100~100K)Hz | Uss<10mV | |||
| 双腔外壳 | (198~242)V AC | 四线制 | ||
| 100V AC | 四线制 | |||
| 电缆参数 | 电缆入口/插头 | 1个M20x1.5电缆入口 | ||
| 1个盲堵M20×15 | ||||
| 接地端子 | 导线横截面2.5mm2 | |||
| 输出参数 | 输出信号 | (4~20)mA/RS485Modbus | ||
| 分辨率 | 1mm | |||
| 故障信号 | 电流输出不变;20.5mA;22mA;3.9mA | |||
| 积分时间 | (0~20)s,可调 | |||
| 盲区 | 0.1m/0.2m/0.3m | |||
| 最大测量间隔 | 150米 | |||
| 测量间距 | 大约1秒(取决于参数设置) | |||
| 调整时间 | 大约1秒(取决于参数设置) | |||
| 调整时间工作存储及运输温度 | (-40~80)℃ | |||
| 过程温度 | JC-FMF11 | -40~80℃ | ||
| JC-FMF12 | -40~110℃ | |||
| JC-FMF13 | -40~110℃ | |||
| JC-FMF15 | -40~200℃ | |||
| JC-FMF21 | -40~110℃ | |||
| 相对湿度 | <95% | |||
| 压力 | Max2.5MPa | |||
| 耐震 | 机械震动10m/s2,(10~150)Hz | |||
仪表线性

安装要求
仪表在安装时避免安装在入料口的上方,尽量避开各种影响信号的物体,如搅拌桨等

● 在极端复杂的工况下,以雷达安装点为中心,半径20cm的区域内没有任何障碍物,仪表即可正常工作。


有不能安装在入料口上方,仪表下方不能有障碍物

在极端复杂的工况下,以雷达安装点为中心,半径20cm的区域内没有任何障碍物,仪表即可正常工作。



